-
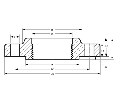
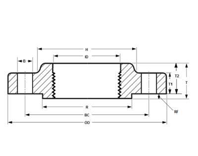
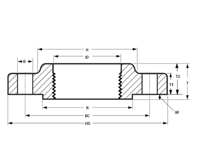
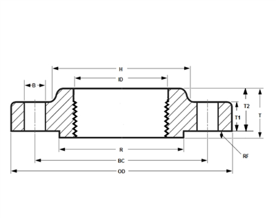
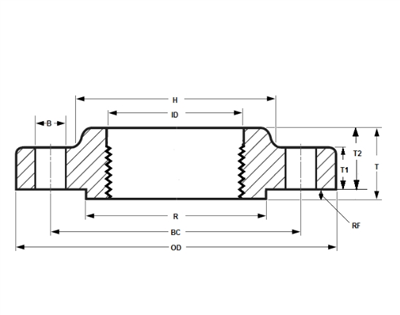
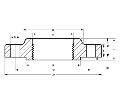
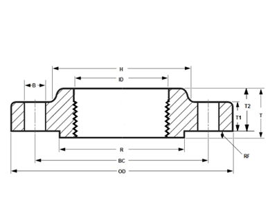
Mar 12, 2024ASME B16.5 Prirubnica s navojem Klasa 2500 u inčimaKLASA S NAVOJIMA 2500 Klasa dimenzija prirubnice s navojem 2500 u inčima (ASME B16.5) Za prirubnice s navojem ASME B16.5, dimenzije mogu varirati ovisno o nominalnoj veličini cijev -
Mar 12, 2024ASME B16.5 Prirubnica s navojem Klasa 1500 u inčimaNAVOJNA KLASA 1500 Dimenzije navojne prirubnice klase 1500 u inčima (ASME B16.5) Za ASME B16.5 navojne prirubnice, dimenzije mogu varirati ovisno o nominalnoj veličini cijevi (NPS) -
Mar 12, 2024ASME B16.5 Prirubnica s navojem Klasa 900 u inčimaNAVOJ KLASE 900 Dimenzije navojne prirubnice klase 900 u inčima (ASME B16.5) Navojne prirubnice klase 900: nominalna veličina cijevi (NPS): Raspon od 1/2 inča (DN 15) do 24 inča (D -
Mar 12, 2024ASME B16.5 Prirubnica s navojem Klasa 600 u inčimaNAVOJNE KLASE 600 Dimenzije navojne prirubnice klase 600 u inčima (ASME B16.5) Za ASME B16.5 navojne prirubnice u klasi 600, dimenzije mogu varirati ovisno o nominalnoj veličini ci -
Mar 12, 2024ASME B16.5 Prirubnica s navojem Klasa 400 u inčimaASME B16.5 Prirubnica s navojem Klasa 400 u inčima -
Mar 12, 2024ASME B16.5 Prirubnica s navojem Klasa 300 u inčimaASME B16.5 Prirubnica s navojem Klasa 300 u inčima -
Mar 12, 2024ASME B16.5 Prirubnica s navojem Klasa 150 u inčimaASME B16.5 Prirubnica s navojem Klasa 150 u inčima -
Mar 12, 2024Dimenzije prirubnice za zavarivanje vrata klase 2500Ovdje su približne dimenzije prirubnice za zavarivanje vrata klase 2500 prema standardima ASME B16.5, u inčima: Nazivna veličina cijevi (NPS): Raspon od 1/2 inča (DN 15) do 24 inča -
Mar 12, 2024Dimenzije prirubnice za zavarivanje vrata klase 1500Ovdje su približne dimenzije prirubnice za zavareni vrat klase 1500 prema standardima ASME B16.5, u inčima: Nazivna veličina cijevi (NPS): Raspon od 1/2 inča (DN 15) do 24 inča (DN -
Mar 12, 2024Dimenzije prirubnice za zavarivanje vrata klase 900Dimenzije prirubnice za zavarivanje vrata klase 900 u skladu su sa standardima ASME B16.5 i razlikuju se ovisno o nominalnoj veličini cijevi (NPS) prirubnice. Ovdje su opće dimenzi -
Mar 12, 2024Dimenzije prirubnice za zavarivanje vrata klase 600Dimenzije prirubnice za zavarivanje vrata klase 600, u skladu sa standardima ASME B16.5, variraju ovisno o nominalnoj veličini cijevi (NPS) prirubnice. Ispod su opće dimenzije prir -
Mar 12, 2024Dimenzije prirubnice za zavarivanje vrata klase 400Dimenzije prirubnice za zavarivanje vrata klase 400 slijede standard ASME B16.5, a kao i druge klase tlaka, dimenzije će varirati ovisno o nominalnoj veličini cijevi (NPS) prirubni





